Skip to main content
Article no.: 12-802-2424

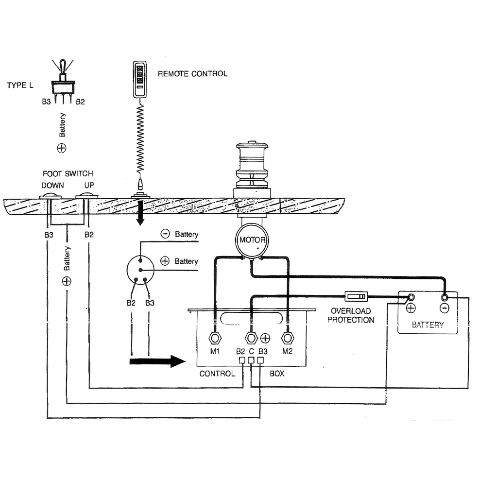
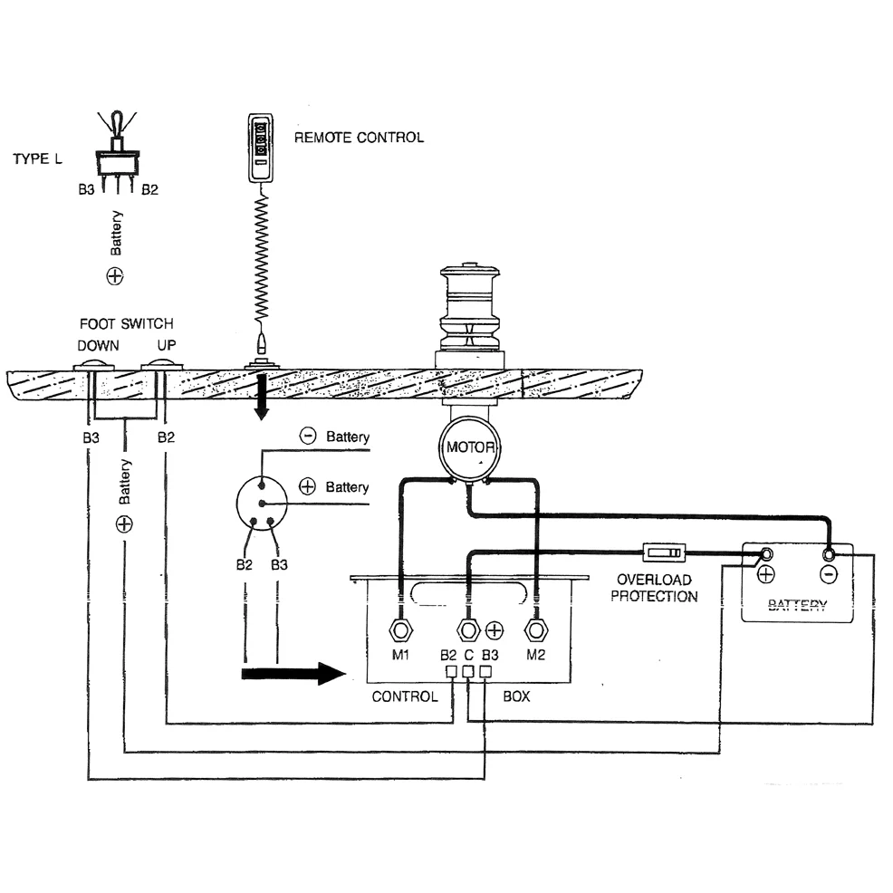
Double relay 12V, DC motor K.box

Technical info:

12V-100A, DC Motor control box

Description

Double relay 12V, DC motor K.box 12V-100A, DC Motor control box 120x60x100 Suitable for DC motors, Winch Marine etc.