Skip to main content
Article no.: 12-802-2426

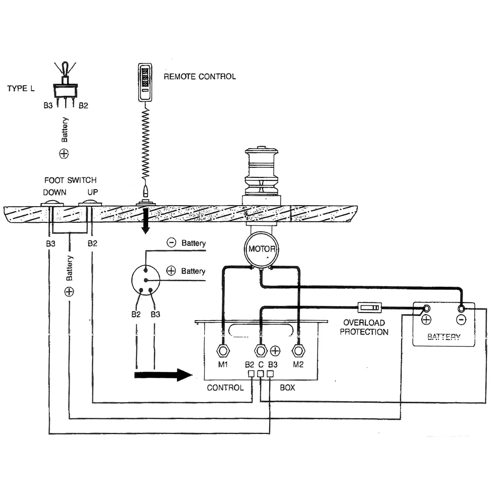
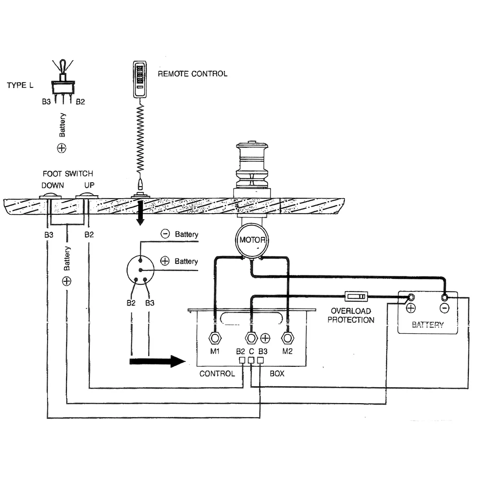
Double relay 24V, DC motor K.box

Technical info:

24V-50A, DC Motor control box

Description

Double relay 24V, Alternator DC motor K.box 24V-50A, Alternator control box 120x60x100 Fits DC motors, Winch Marine and so on.