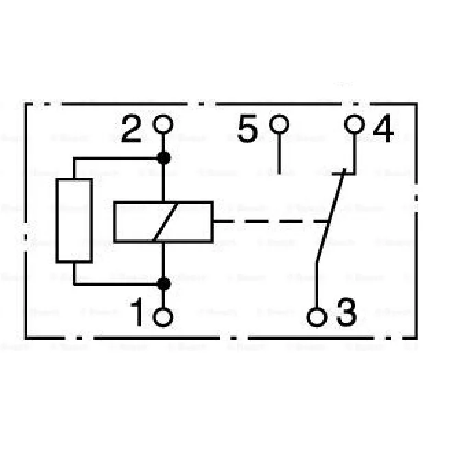
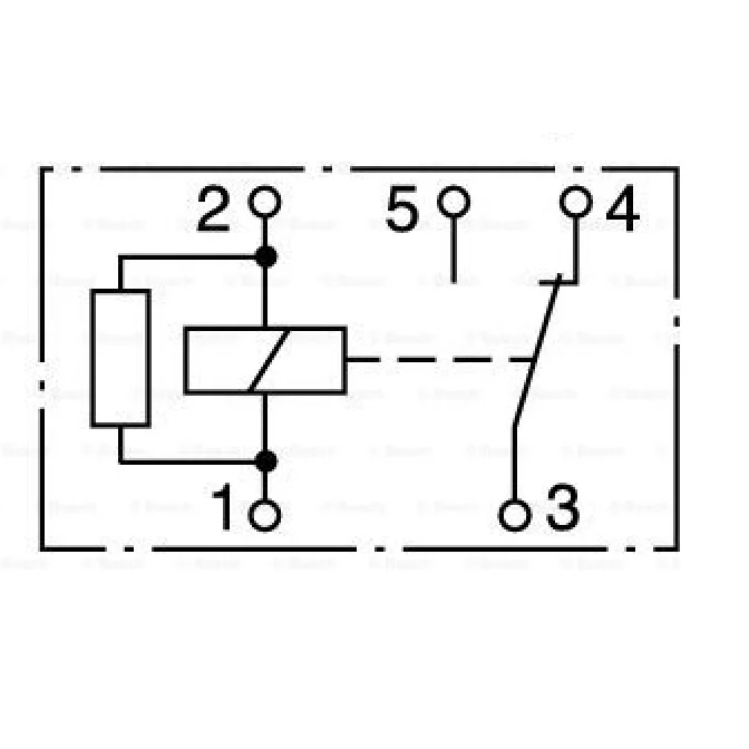
5-pin micro relay
We use browser cookies to give you the best experience possible while visiting our website. You agree to the use of cookies by pressing \"Ok\" and resume browsing.