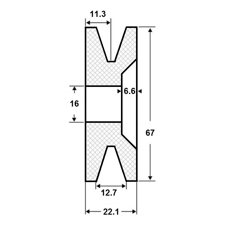
1 groove, 12.5mm pulley
We use browser cookies to give you the best experience possible while visiting our website. You agree to the use of cookies by pressing \"Ok\" and resume browsing.