Skip to main content
Article no.: RC-43562

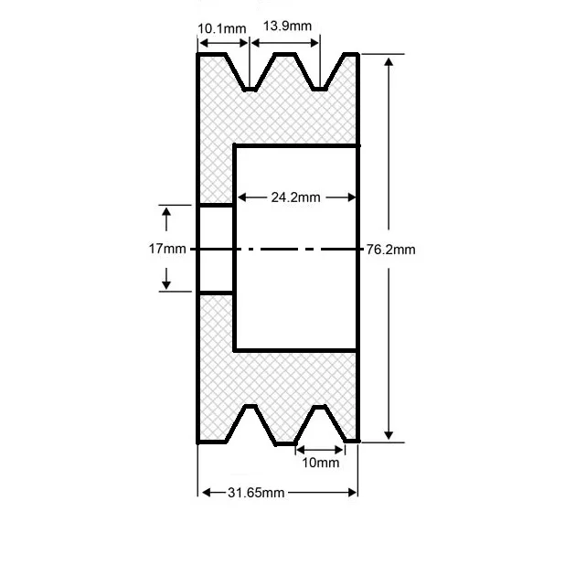
Pulley 2V, 17x76 9.5mm belt

Technical info:

2 tracks

Description

Pulley 17x78, 9.5 pulley CHR DP 2 grooves 17 x 76 x 32 mm Suitable for Chrysler gen. 40/90 & 50/120 series. (90-120A/12V) Double