Skip to main content
Article no.: F00M-991-170

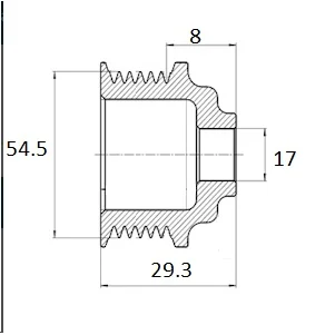
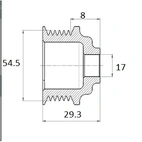
Pulley 6s 17x54x29

Technical info:

6 tracks

Description

Pulley 6-rib 17x54 6 ribs ID - 17mm, OD - 54mm, B - 29.3mm