Skip to main content
Article no.: PR-595409

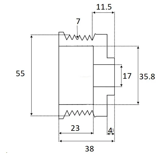
Pulley 7-rib 17x57

Technical info:

7 grooves

Description

Pulley 7-rib 17x55mm 7 ribs ID - 17mm, OD - 55mm, H - 38mm